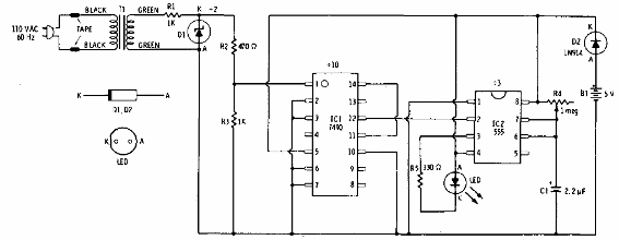
Este circuito fue encontrado en una documentación de Radio Shack de 1977. Su propósito es generar señales de 1 Hz a partir de la red de energía. El 7490 divide la frecuencia de la red para obtener 3 Hz sincronizando el 555 que hace que el LED parpadee a intervalos precisos de 1 segundo. El circuito es para la red de 60 Hz.




