La diferencia de este oscilador con respecto al anterior es el uso de acoplamiento de emisor. El circuito admite transistores de uso general e incluso RF, dependiendo de la frecuencia deseada.

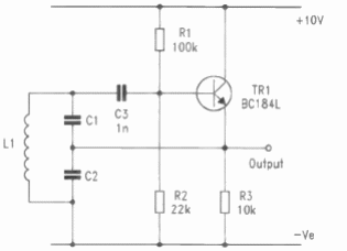
Oscilador Colpitts 2
La diferencia de este oscilador con respecto al anterior es el uso de acoplamiento de emisor. El circuito admite transistores de uso general e incluso RF, dependiendo de la frecuencia deseada.
