Este oscilador de puente de Viena se encontró en documentación antigua. R y C determinan la frecuencia. R1 y R2 son típicamente 10k, dependiendo del operacional.

Oscilador de puente de Viena
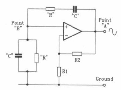
Este oscilador de puente de Viena se encontró en documentación antigua. R y C determinan la frecuencia. R1 y R2 son típicamente 10k, dependiendo del operacional.
