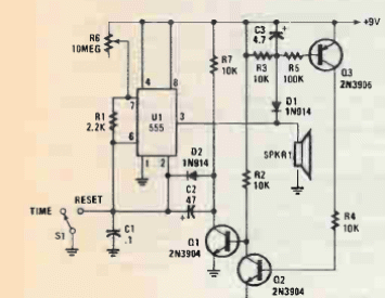
Encontramos este circuito en una Popular Electronics de 1992. El tiempo viene dado por C1. El circuito proporciona un pitido de salida. Los transistores soportan equivalentes.

Circuito de tiempo
Encontramos este circuito en una Popular Electronics de 1992. El tiempo viene dado por C1. El circuito proporciona un pitido de salida. Los transistores soportan equivalentes.
