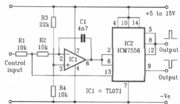
El circuito integrado utilizado es un 555 CMOS dual. El circuito es de una documentación en inglés y la frecuencia depende básicamente de C1.

Oscilador controlado por tensión con el ICM7556
El circuito integrado utilizado es un 555 CMOS dual. El circuito es de una documentación en inglés y la frecuencia depende básicamente de C1.
