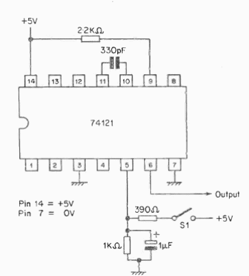
Este circuito TTL debe ser alimentado con una tensión de 5 V. El circuito proporciona pulsos de 1 microsegundo, pero este valor se puede cambiar cambiando el capacitor de 330 pF.

Generador de pulsos 74121
Este circuito TTL debe ser alimentado con una tensión de 5 V. El circuito proporciona pulsos de 1 microsegundo, pero este valor se puede cambiar cambiando el capacitor de 330 pF.
