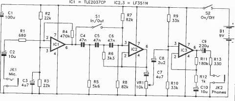
Encontramos este circuito en una documentación en inglés de 1995. Los componentes utilizados son comunes hoy en día. Los auriculares son de baja impedancia.

Amplificador de audífonos
Encontramos este circuito en una documentación en inglés de 1995. Los componentes utilizados son comunes hoy en día. Los auriculares son de baja impedancia.
