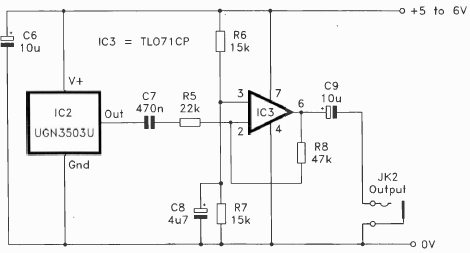
Este circuito de sensor Hall está destinado a aislar una señal de audio aplicada a través de una bobina. El circuito es de una documentación de 1995. El sensor Hall es de esa época.

Aislador de audio Hall
Este circuito de sensor Hall está destinado a aislar una señal de audio aplicada a través de una bobina. El circuito es de una documentación de 1995. El sensor Hall es de esa época.
