560 kHz a 1 MHz VCO (CIR20847S)
Este circuito se obtuvo de una Electronic Design de 1964. Los transistores admiten equivalentes modernos y se puede cambiar el rango de frecuencias generadas.

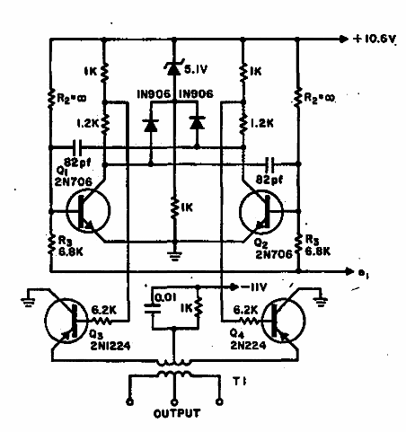
560 kHz a 1 MHz VCO
560 kHz a 1 MHz VCO (CIR20847S)
Este circuito se obtuvo de una Electronic Design de 1964. Los transistores admiten equivalentes modernos y se puede cambiar el rango de frecuencias generadas.
