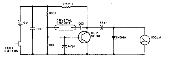
Este circuito prueba cristales hasta algunos megahertz con facilidad. El circuito es de una publicación de 1977, pudiendo usar un transistor equivalente como el 2N2222.

Este circuito prueba cristales hasta algunos megahertz con facilidad. El circuito es de una publicación de 1977, pudiendo usar un transistor equivalente como el 2N2222.
