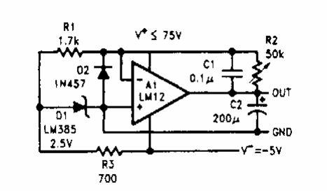
Este regulador de tensión positiva con salida de 70 V se encontró en un manual de National Semiconductor de la década de 1980. La corriente de salida máxima es de 150 mA.

Regulador de 70 V
Este regulador de tensión positiva con salida de 70 V se encontró en un manual de National Semiconductor de la década de 1980. La corriente de salida máxima es de 150 mA.
