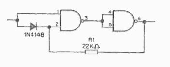
Este circuito de baja histéresis se obtuvo de documentación antigua. El circuito debe ser alimentado por una tensión de 5 V.

Disparador Schmitt 7400
Este circuito de baja histéresis se obtuvo de documentación antigua. El circuito debe ser alimentado por una tensión de 5 V.
