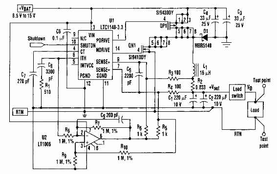
Esta fuente de alimentación conmutada se encontró en una Electronic Design de los años 90. Los componentes son de la época.

Fuente de alimentación conmutada
Esta fuente de alimentación conmutada se encontró en una Electronic Design de los años 90. Los componentes son de la época.
