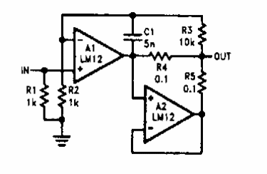
En la figura tenemos la forma de conectar amplificadores operacionales en paralelo. El circuito es de un manual de National Semiconductor de la década de 1990. La configuración se aplica a otros operacionales.

Amplificadores operacionales en paralelo



