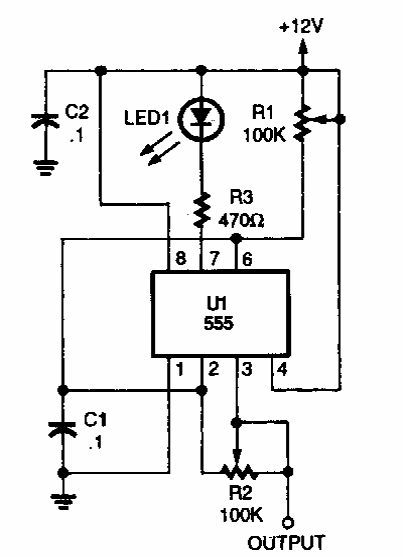
Este astable con ajuste de ciclo activo se encontró en una Popular Electronics de los años 90. La frecuencia central viene dada por C1. Los letreros son rectangulares.

Astable 555 con control de ancho de pulso
Este astable con ajuste de ciclo activo se encontró en una Popular Electronics de los años 90. La frecuencia central viene dada por C1. Los letreros son rectangulares.
