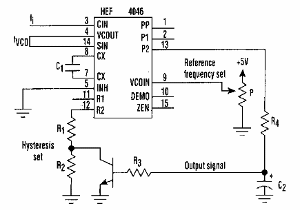
Encontrado en una Electronic Design de los años 90, este circuito utiliza un PLL CMOS. No se indican los valores para varios componentes.

Comparador de frecuencia y VCO
Encontrado en una Electronic Design de los años 90, este circuito utiliza un PLL CMOS. No se indican los valores para varios componentes.
