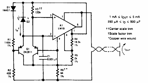
Encontrado en un manual de National Semiconductor, este circuito está diseñado para la transmisión de datos a través de un par trenzado, las señales se obtienen de un fotodiodo.

Convertidor log para transmisor con fotodiodo
Encontrado en un manual de National Semiconductor, este circuito está diseñado para la transmisión de datos a través de un par trenzado, las señales se obtienen de un fotodiodo.
