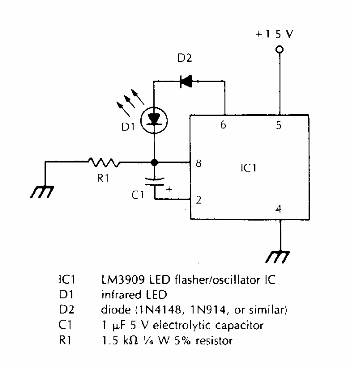
Este circuito simple de muy baja potencia se puede utilizar en un disparador de tono infrarrojo alimentado por batería. Lo encontramos en una documentación estadounidense de los años 90.

Transmisor de tono infrarrojo
Este circuito simple de muy baja potencia se puede utilizar en un disparador de tono infrarrojo alimentado por batería. Lo encontramos en una documentación estadounidense de los años 90.
