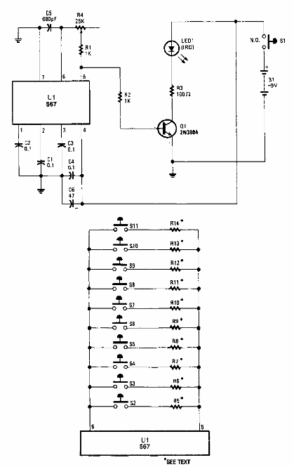
Este circuito es de Popular Electronics de los años 90. El circuito tiene una red moduladora de frecuencia de tono basada en un PLL567. El número de canales está limitado por la selectividad del receptor.

Control remoto IR por tono
Este circuito es de Popular Electronics de los años 90. El circuito tiene una red moduladora de frecuencia de tono basada en un PLL567. El número de canales está limitado por la selectividad del receptor.
