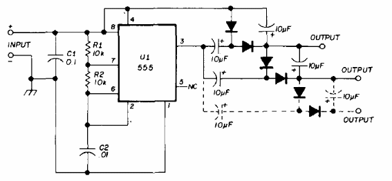
En la figura tenemos un convertidor DC DC de muy baja corriente usando un 555. El circuito puede tener entradas en el rango de 5 V a 15 V y la salida depende sólo del número de pasos que el multiplicador usa. La corriente es de algunos miliamperios solamente.




