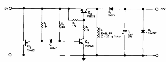
Este circuito convierte una tensión positiva negativa, con corriente de salida máxima del orden de 40 mA. Q3 puede ser un BD136, Q1 un BC548 y el transistor unijuntura puede ser un 2N2646. El circuito es de una documentación de 1971.

Este circuito convierte una tensión positiva negativa, con corriente de salida máxima del orden de 40 mA. Q3 puede ser un BD136, Q1 un BC548 y el transistor unijuntura puede ser un 2N2646. El circuito es de una documentación de 1971.
