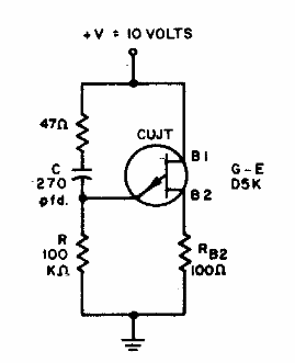
Este circuito utiliza un tipo especial de unión unidireccional, que es poco común en la actualidad. El circuito es de una documentación de los años 90. La señal se toma sobre el resistor de la base B1 del componente.

Oscilador de 50 kHz
Este circuito utiliza un tipo especial de unión unidireccional, que es poco común en la actualidad. El circuito es de una documentación de los años 90. La señal se toma sobre el resistor de la base B1 del componente.
