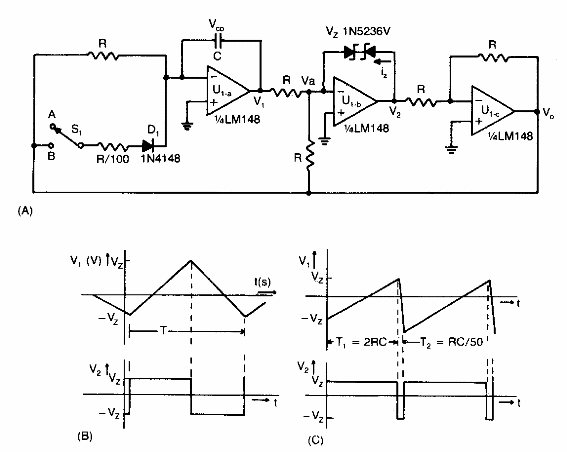
Este generador puede utilizar otro funcionamiento común de propósito general. Lo encontramos en documentación de los años 90. La frecuencia depende de C y R. R puede ser ajustable.

Generador de funciones de bajo costo
Este generador puede utilizar otro funcionamiento común de propósito general. Lo encontramos en documentación de los años 90. La frecuencia depende de C y R. R puede ser ajustable.
