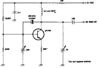
Este oscilador genera señales de 455 kHz según el cristal utilizado. El transistor admite equivalente. Lo encontramos en documentación antigua.

Oscilador de cristal de baja frecuencia
Este oscilador genera señales de 455 kHz según el cristal utilizado. El transistor admite equivalente. Lo encontramos en documentación antigua.
