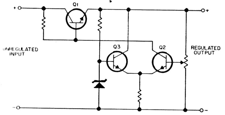
En la figura tenemos la configuración de un regulador de tensión con 3 transistores. Los componentes dependen de la tensión y la corriente deseados, así como de las características de los transistores.

 

Regulador de tensión con tres transistores
Regulador de tensión con tres transistores | Haga click en la imagen para ampliar |