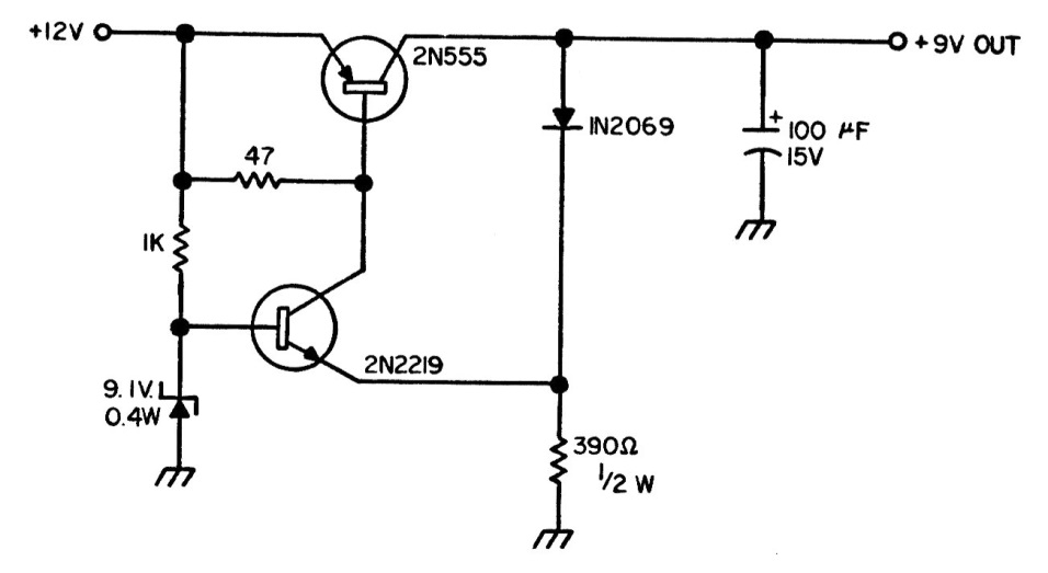
Este regulador puede utilizar BD'136 como transistor principal y como referencia junto a un zener BC548. El circuito proporciona una tensión de 9V desde 12 para alimentar dispositivos que usan baterías.

 

Regulador transistorizado de 9 V
Regulador transistorizado de 9 V | Haga click en la imagen para ampliar |