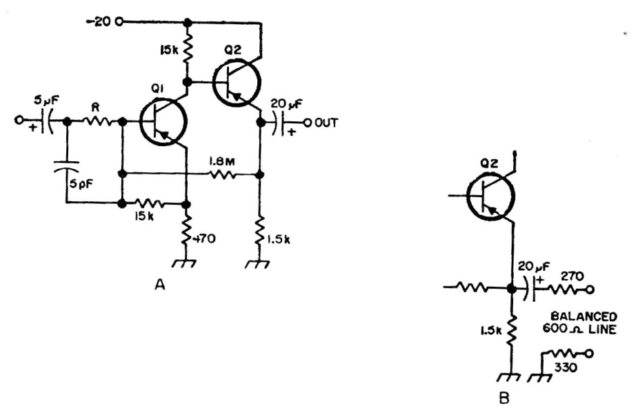
En la figura tenemos la versión original de un amplificador con alta impedancia de entrada, 1,2 M ohms. y cambiar al rechazo de los ronquidos a la salida. El circuito puede usar transistores PNP de propósito general y con la inversión de la fuente, también transistores NPN.




