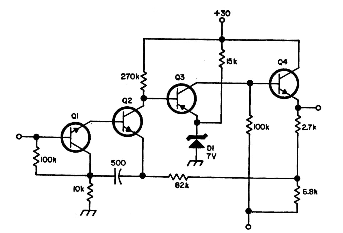
El rango operativo de este circuito varía de 0,5 a 2 MHz y su ganancia es de 11 dB. Los transistores pueden ser de propósito general. Encontramos este circuito en una documentación de los 80. La impedancia de entrada es de 32 M ohms.
El rango operativo de este circuito varía de 0,5 a 2 MHz y su ganancia es de 11 dB. Los transistores pueden ser de propósito general. Encontramos este circuito en una documentación de los 80. La impedancia de entrada es de 32 M ohms.