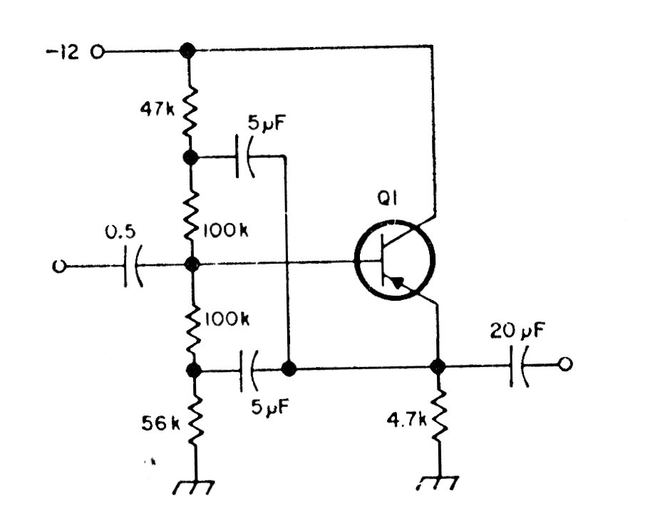
Este preamplificador aparece en otra parte de esta sección y esta versión se encontró en la documentación estadounidense de la década de 1980. El transistor puede ser cualquier RF PNP, la impedancia de entrada es de 20 M ohms y el rango de paso es de 10 a 200 kHz.




