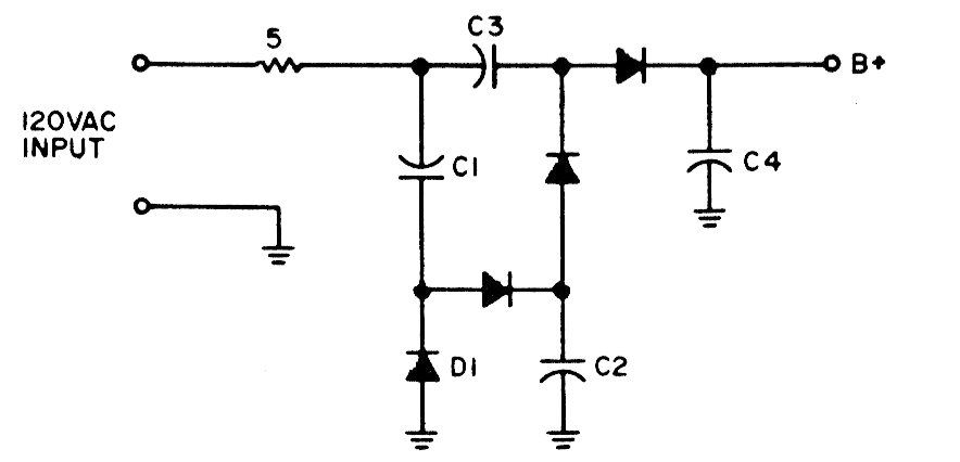
En la figura tenemos la configuración de un cuadruplicador de tensión de media onda. En este caso, los capacitores pueden ser de 10 uF y los diodos 1N4007 para su aplicación en la red de 110 V (120 V). El resistor es de 5 ohms x 1 W.
En la figura tenemos la configuración de un cuadruplicador de tensión de media onda. En este caso, los capacitores pueden ser de 10 uF y los diodos 1N4007 para su aplicación en la red de 110 V (120 V). El resistor es de 5 ohms x 1 W.