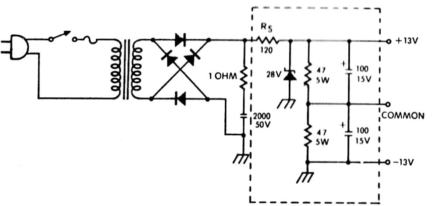
Fuente de alimentación simétrica de 12 V (CIR20138S)
Esta fuente de alimentación simétrica de 12 V proporciona una corriente del orden de 100 mA según el transformador utilizado. Los diodos pueden ser 1N4002 y el zener 1 W. Observe la disipación de las resistencias utilizadas.




