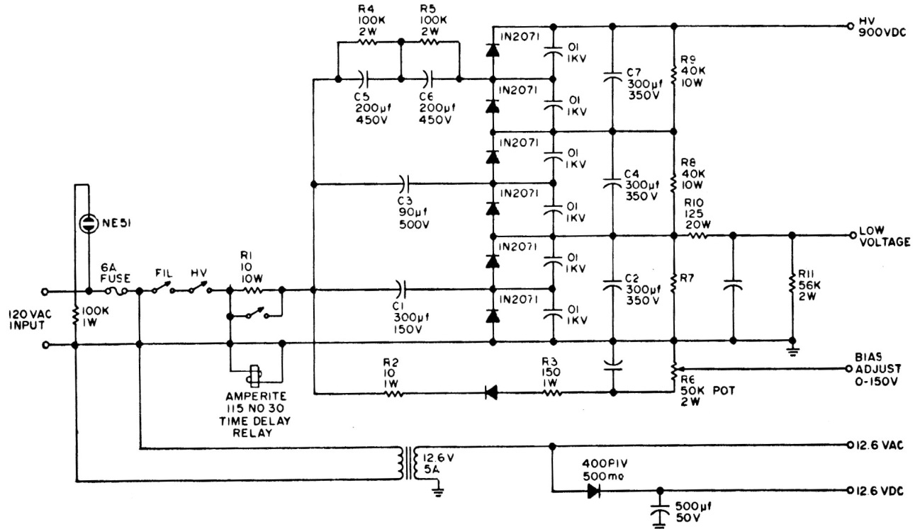
Esta fuente de alta tensión suministra en su salida una tensión que es seis veces el valor del voltaje máximo de entrada y se puede utilizar en circuitos de válvulas y otras aplicaciones de alta tensión. Los diodos deben tener tensiones de acuerdo con la aplicación y la corriente de salida es baja.




