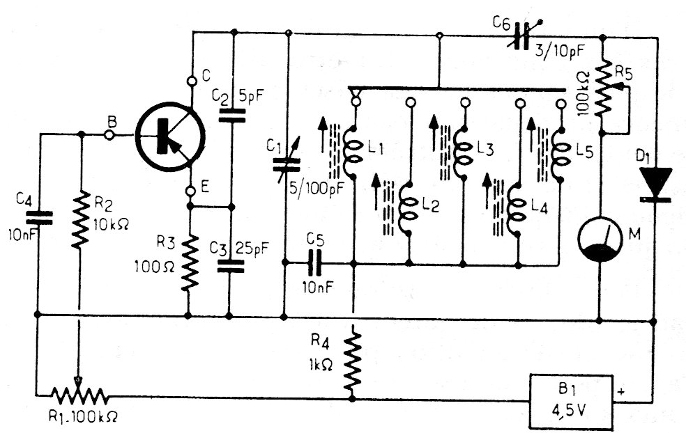
Este circuito es de un libro francés de 1981. Los componentes utilizados son comunes y el instrumento indicador puede ser reemplazado por la escala de corrientes de un multímetro común. El circuito puede probar transistores de RF en 5 bandas de frecuencia, desde 400 kHz hasta 50 MHz, dependiendo de las bobinas colocadas en el circuito.




