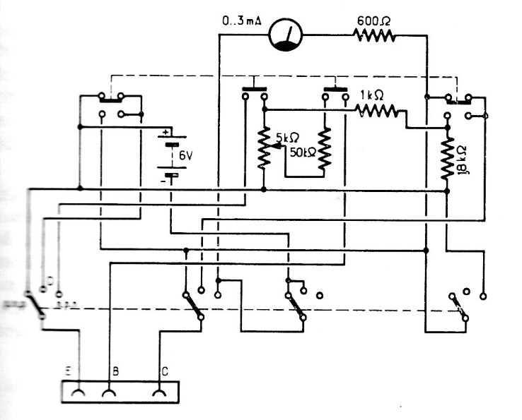
Este circuito se obtuvo en una documentación francesa de 1981 y se puede montar fácilmente. El instrumento analógico en sí puede ser reemplazado por la escala de corrientes de un multímetro ordinario. El circuito prueba transistores NPN y PNP.
Este circuito se obtuvo en una documentación francesa de 1981 y se puede montar fácilmente. El instrumento analógico en sí puede ser reemplazado por la escala de corrientes de un multímetro ordinario. El circuito prueba transistores NPN y PNP.