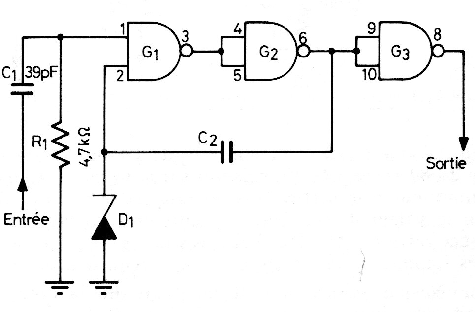
Este circuito de disparo TTL con el 7400 se puede utilizar como acondicionador de señal en un shield de entrada para microcontroladores. El circuito es antiguo, pero la aplicación es moderna. El suministro debe hacerse con 5 V. Encontramos el circuito en una documentación europea antigua. El diodo zener puede ser de 3 a 3,7 V.




