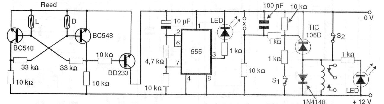
Este circuito de alarma se encontró en una publicación de 1997. Utiliza dos interruptores de lengüeta para armar y desarmar el sistema que tiene un LED indicador de funcionamiento. El circuito se basa en un SCR que se activa cuando se interrumpe S1 (un conjunto de sensores). La tensión de alimentación puede ser de 6 o 12 V según el relé.




