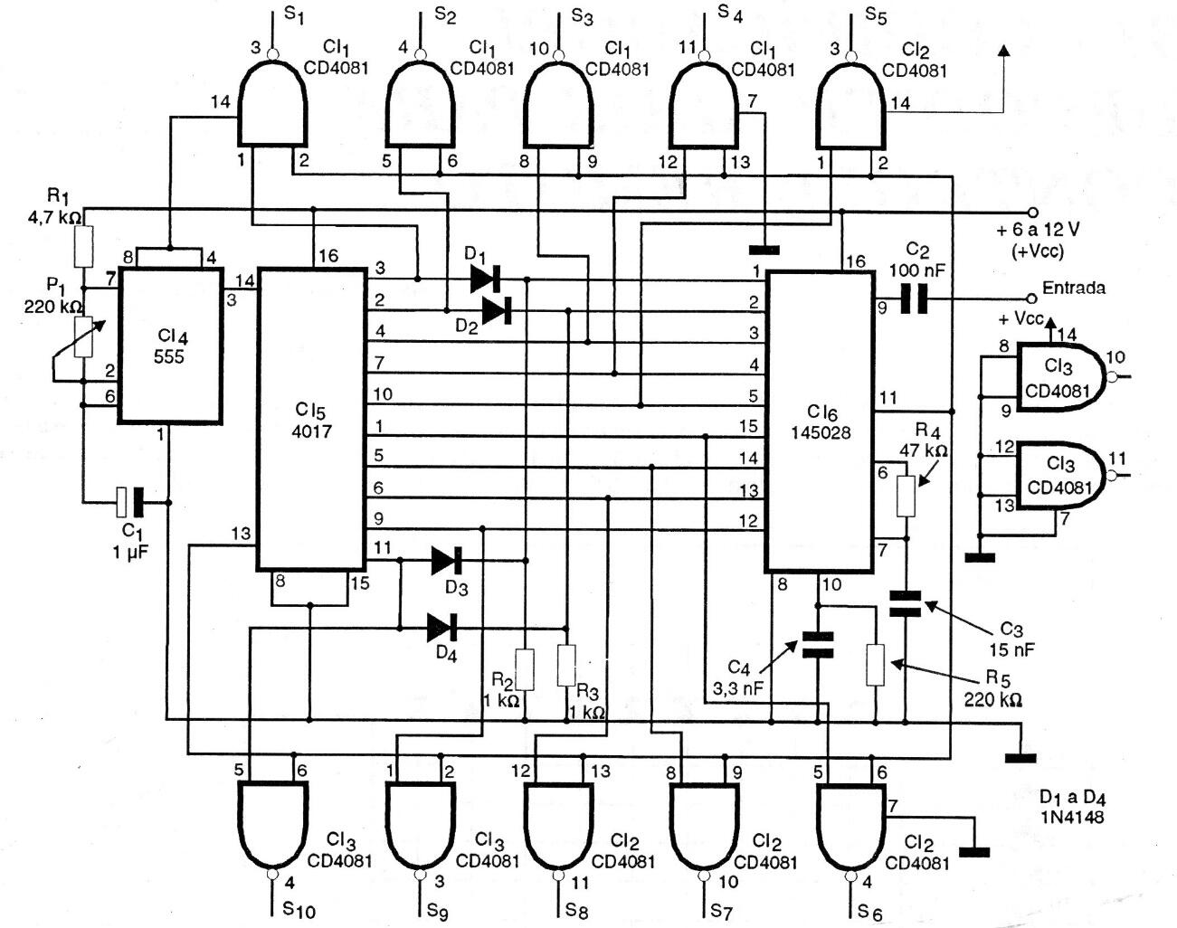
Este es el circuito decodificador del codificador anterior (CIR19986S) que utiliza el circuito integrado MC14028. Este componente no es muy común hoy en día, pero se usaba mucho en abrepuertas. El circuito tiene un ajuste en el 555 que se realiza en función de un ajuste similar realizado en el transmisor.




