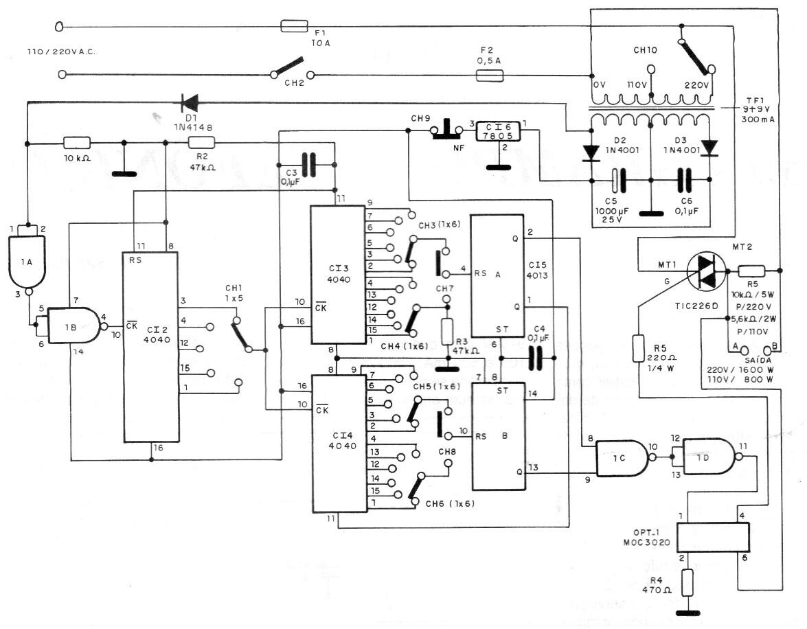
Este circuito de 1995 controla directamente un triac. El triac, a su vez, controla la carga externa. Los tiempos pueden variar de 1 segundo a 72 horas y 12 minutos. La precisión del circuito es muy alta ya que utiliza la señal de la red eléctrica como reloj. El circuito incluye su fuente y el triac debe tener un disipador de calor.





