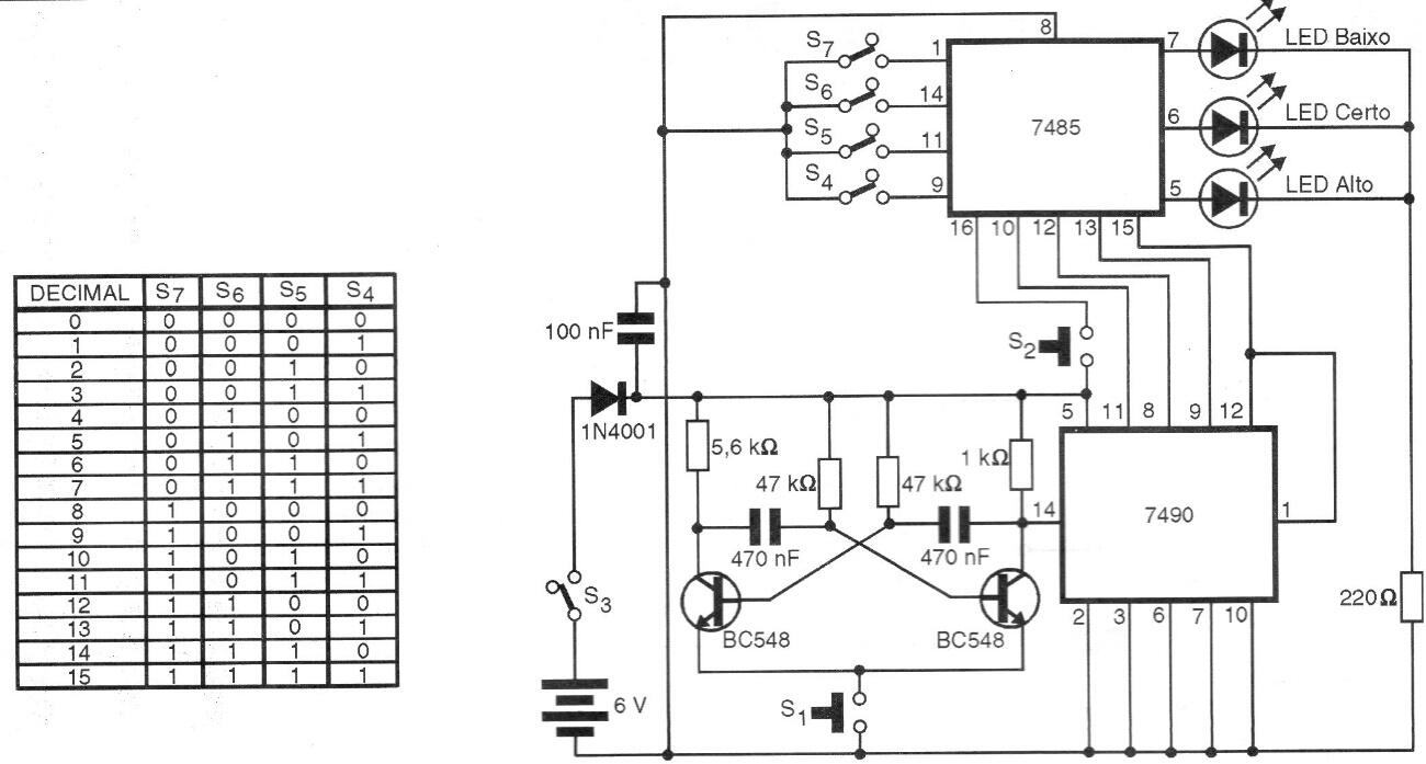
El propósito de este juego obtenido en una documentación de 1998 es adivinar el número que almacena el circuito al presionar S1. Este número es almacenado en el 7490 y descodificado por el 7485. Pulsando las teclas del 7485, se debe encontrar el número almacenado según la tecla. El circuito funciona con baterías.




