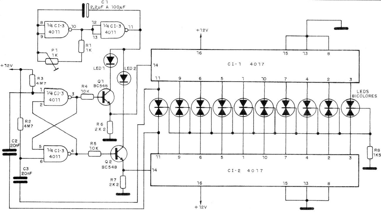
Este circuito se obtuvo en una publicación de 1988, pero hoy en día se puede ensamblar muy fácilmente, ya que todos los componentes siguen siendo comunes. La velocidad del efecto es controlada por P1 y se utilizan LEDs bicolores comunes. La alimentación se puede realizar con tensiones de 6 a 12 V.




