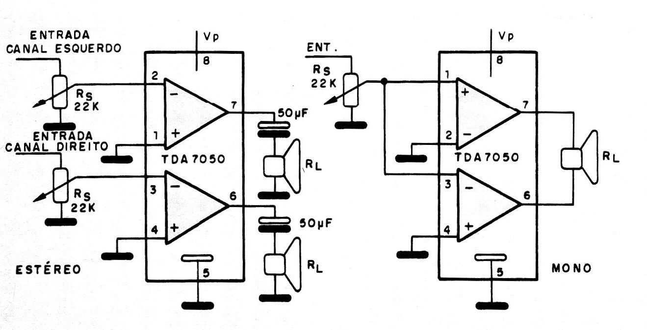
Este circuito integrado es adecuado para aplicaciones con baja tensión de alimentación, como pequeños dispositivos de alta fidelidad que solo usan auriculares. Se presenta en una carcasa DIL de 8 pinos. Podemos destacar las siguientes ventajas en este integrado
- No se requieren componentes externos
- Puede funcionar con batería en el rango de 1,6 a 6,0 V
- Corriente de reposo muy baja (normalmente 3,2 mA con alimentación de 3 V)
- Ganancia con retroalimentación establecida en 26 dB en configuración estéreo o 32 dB en configuración de puente mono (BTL).
Para una distorsión total del 10 ° / o tenemos la siguiente tabla de potencias:





