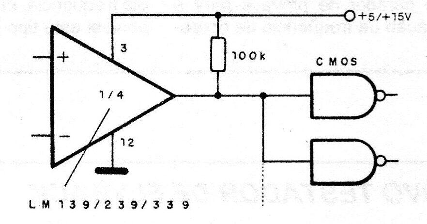
En la figura, mostramos cómo los comparadores de tensión integrados de las series 139, 239 y 339 pueden usarse para excitar circuitos digitales CMOS. Estos comparadores pueden excitar dos o más puertas. Tenga en cuenta que la fuente de alimentación es la misma que la de los circuitos CMOS excitados y que en los circuitos integrados de las series 139, 239 y 339 hay 4 comparadores que se pueden utilizar por separado.




