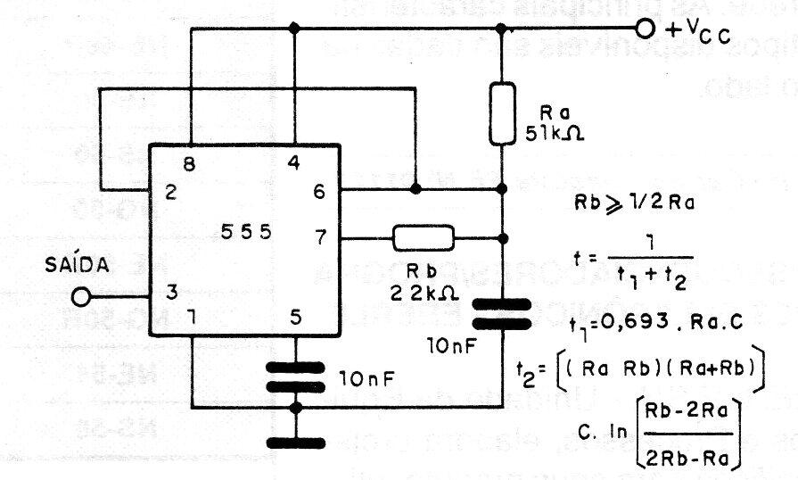
En la figura tenemos una manera simple y eficiente de obtener señales rectangulares de un asombroso 555 con 50% de ciclo activo, es decir, el tiempo del nivel alto es igual al tiempo del nivel bajo. Las fórmulas junto al diagrama permiten calcular los componentes para una frecuencia operativa determinada.




