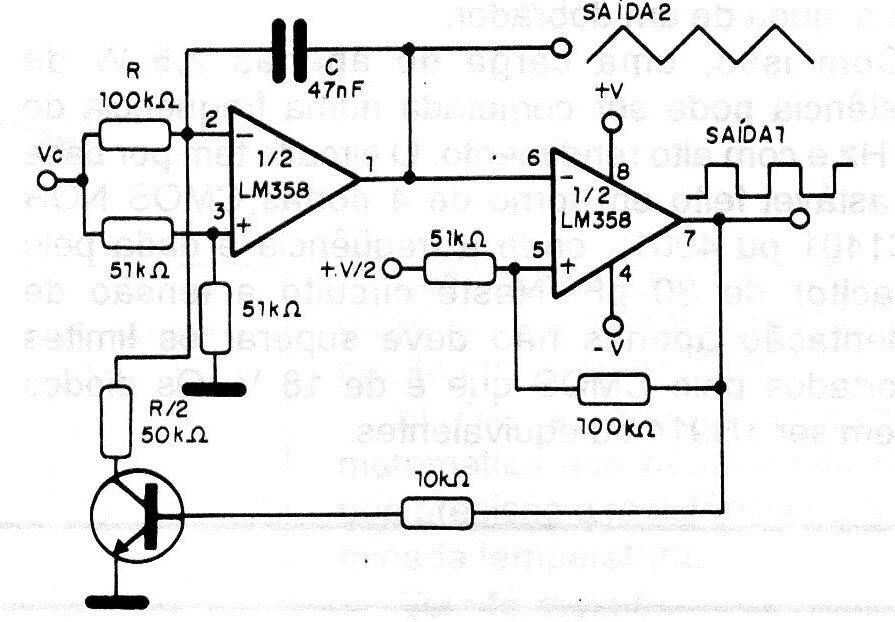
Este circuito es sugerido por National Semiconductor y está basado en un amplificador operacional doble del tipo LM358. La frecuencia central viene dada por C y la variación de frecuencia se obtiene cuando la tensión de entrada pasa de 0 a 2 voltios. La fuente de alimentación debe ser de 5 V y el transistor puede ser cualquier NPN de propósito general. Tenga en cuenta que tenemos una salida con esta señal triangular y una salida con una señal rectangular. La frecuencia de operación máxima teórica de este circuito es de 1 MHz, cuando la ganancia de operación cae a 1.




