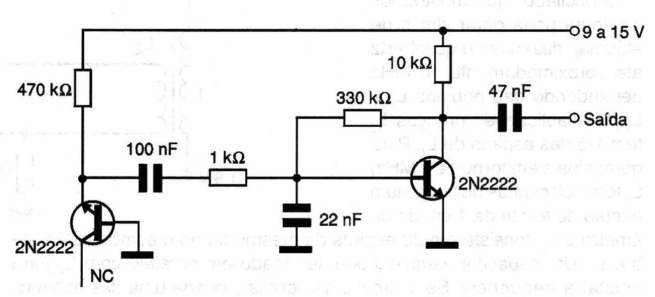
El ruido rosa se utiliza en instrumentos musicales, pruebas de equipos de telecomunicaciones y otras aplicaciones. Es un ruido cuya intensidad no permanece constante a lo largo del espectro. Este generador utiliza ruido térmico en la unión emisor / base de un transistor común para obtener la señal. El corte de las frecuencias más altas que caracterizan este tipo de ruido se realiza mediante el capacitor de 22 nF.




