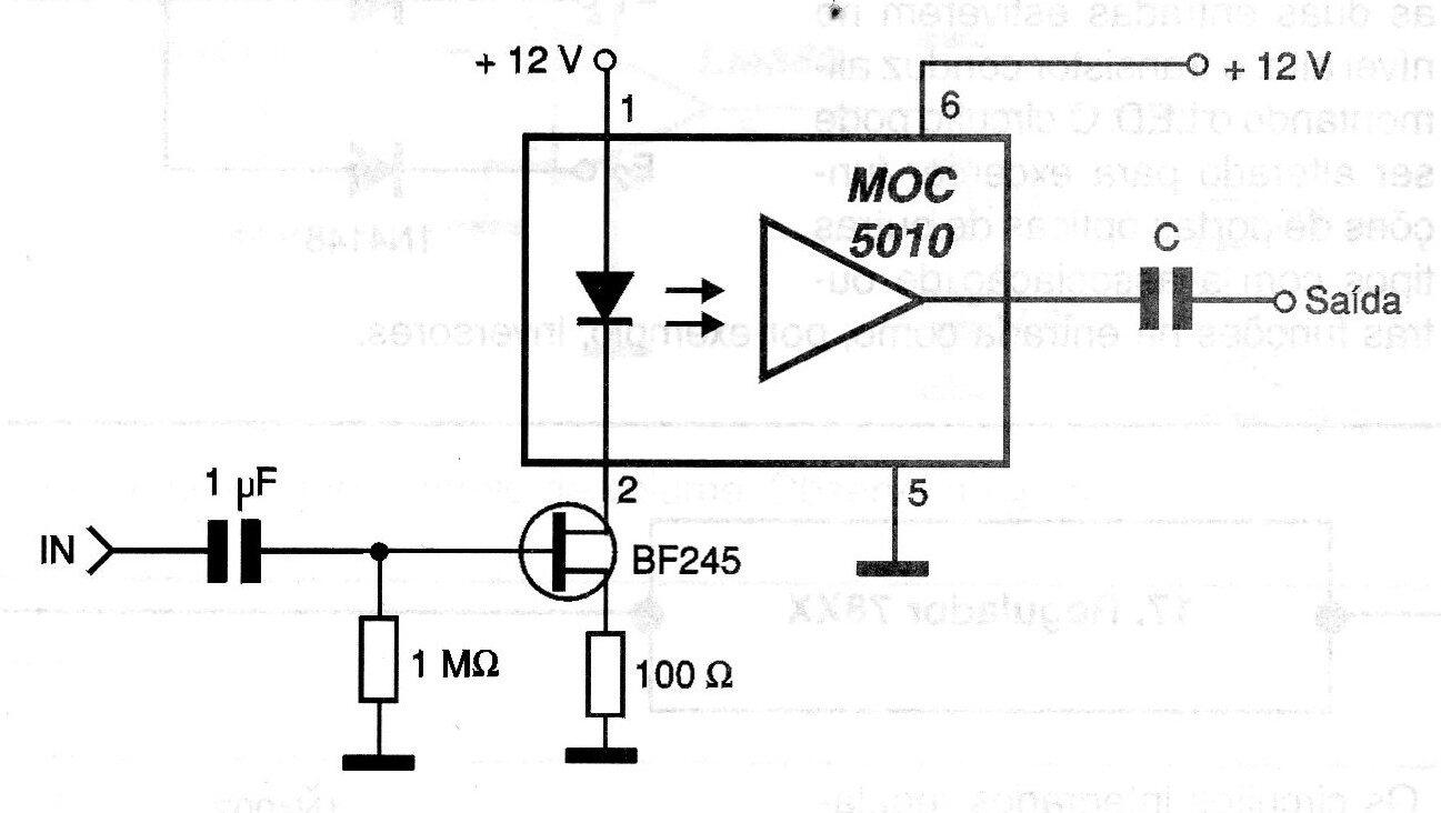
El optoacoplador MOC5010 de Motorola tiene un amplificador completo dentro del sensor, lo que permite diseñar un acoplador de señal lineal que le permite operar en el rango de audio. Utiliza un FET de unión común en la entrada para acoplar la señal de entrada y se puede suministrar con tensiones de 12 V. El capacitor C debe elegirse de acuerdo con la impedancia de entrada de la etapa en la que se aplicará la señal para permitir un buen acoplamiento.




