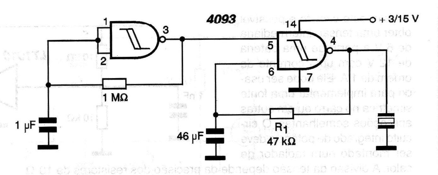
El circuito que se muestra en la figura es ideal para producir pitidos de intervalo en un transductor piezoeléctrico con un consumo de energía muy bajo que puede variar entre 3 y 15 V. El resistor de 1 M determina la intermitencia y puede estar entre 220 k ohms y 4, 7 M ohms. La resistencia de 47 k determina la frecuencia y puede estar entre 10 k ohms y 220 k ohms. Los valores más altos conducen a sonidos más bajos. Con el uso de un transistor de potencia este circuito puede excitar altavoces pequeños, pero en este caso el consumo será mucho mayor. Observamos que los altavoces de baja impedancia no deben conectarse directamente a la salida de este oscilador.




