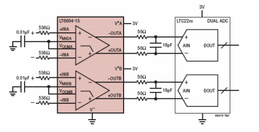
El circuito que presentamos es sugerido por Linear Technologies (www.linear.com) y hace uso de un circuito integrado LT6604-15, donde "15" representa la frecuencia del filtro. El circuito integrado utilizado consta de dos amplificadores diferenciales emparejados, cada uno de los cuales contiene un filtro de paso bajo de cuarto orden con una respuesta de Chebyshev aproximada. El circuito que se muestra en la figura 1 consiste en una aplicación típica con una relación señal / ruido de 76 dB. El circuito está especificado para funcionar con 3 V, 5 V y +/- 5 V. En la familia de estos componentes disponemos de filtros integrados de 2,5 MHz 20 MHz. El LT6604 se suministra en una carcasa QFN.




