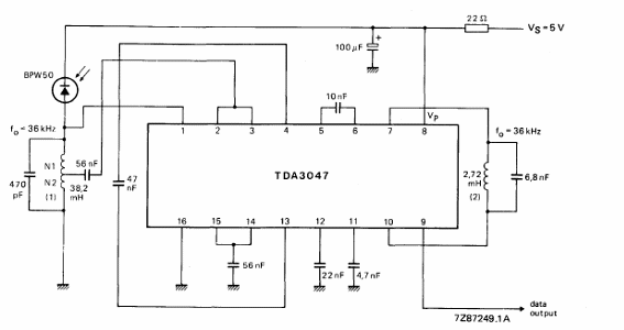
Este receptor de datos de banda estrecha es del Philips Databook de 1990. El circuito está alimentado por 5 V y N1 tiene 3.21 vueltas, N2 1 vueltas con Q = 16.

Receptor de infrarrojos TDA3047
Este receptor de datos de banda estrecha es del Philips Databook de 1990. El circuito está alimentado por 5 V y N1 tiene 3.21 vueltas, N2 1 vueltas con Q = 16.
