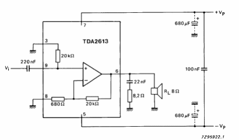
Este circuito es de un Philips Databook de 1990. El circuito utiliza una fuente simétrica y una potencia de 15 a 40 V. En la siguiente tabla se proporciona información sobre el rendimiento.

Amplificador de 6 W TDA2613 CB15393E CIR19713S

Amplificador de 6 W TDA2613 CB15393E CIR19713S



